型号筛选
可选加工(可选)
未生成型号,还有 5 项未选择
重置
代码
无数据
参数选型
安装方式
无数据
本体材质
无数据
产品选型
代码
无数据
外径D(mm)
无数据
螺纹长度L(mm)
无数据
价格生成中...
图片仅供参考,请以已选的规格为准
怡合达 进口型 外螺纹轴承 单轴承
品牌名称:
怡合达
条件筛选:
产品型号:
未税折扣单价: -- --
含税折扣单价: ----
含税总价 (税率13%): ¥--
预计发货天数:-- 天 (发货天数以下单次日起算,不含周日与法定假日)
购买数量():
起订量:0
, 加量幅度:0
登录后可查看价格、加入购物车、一键购买
立即登录
价格生成中...
登录后可查看价格、加入购物车、一键购买
立即登录
代码的技术资料信息曾有所变更,可前往 型号勘误表 查看变更记录
相似商品
同类人气商品
技术图档
全部型号
3D预览
技术图档
材质图
参数图
| 代码 | 类型 |
轴承材质 | 轴材质 | |||
| 国标 | 相当 | |||||
| BJL41 | 外螺纹 |
进口型 |
标准型 |
GCr15 | SUJ2 | SUS303 |
| BJL42 | 9Cr18Mo | SUS440C | ||||
| BJL51 | 加长型 |
GCr15 | SUJ2 | |||
| BJL52 | 9Cr18Mo | SUS440C | ||||
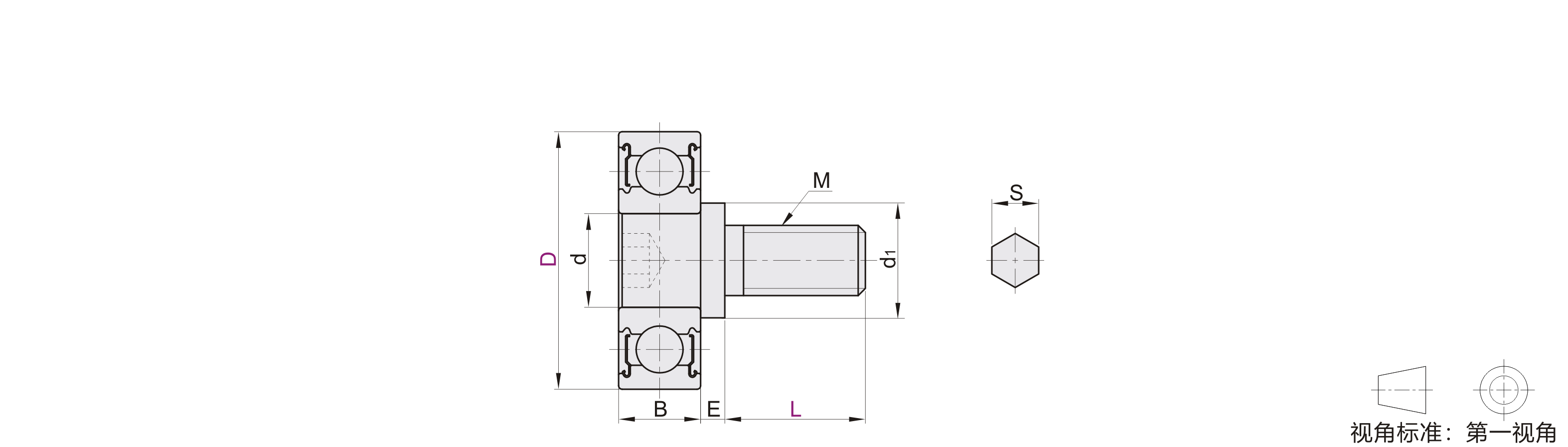
轴承精度 GB/T 307.1 6级
相当于 JIS B 1514 6级

螺纹头部可能突出轴承端面,突出长度无法保证,产品请以实物为准。
台阶底部有退刀槽,退刀槽尺寸请以实物为准。
不承诺品牌
选型表
| 型号 |
L |
密封圈 |
d |
B |
M |
E |
S |
d1 |
配合 轴承 |
||
| 代码 | D | 标准型 | 加长型 | ||||||||
BJL41 BJL42 BJL51 BJL52 |
6 | 4 | 6 | 无指定 (钢制密封圈) |
3 | 2.5 | M3×0.5 | 1 |
1.5 | 4 | 673 |
| 7 | 3 | 5 | 683 | ||||||||
| 8 | 5 | 8 | 5 | 2.5 | 2.5 | 7 | 675 | ||||
| 9 | 4 | 4 | M4×0.7 | 2 | 6 | 684 | |||||
| 11 | 694 | ||||||||||
| 11A | 5 | 5 | 2.5 | 7 | 685 | ||||||
| 12 | 4 | 4 | 2 | 6 | 604 | ||||||
| 13 | 5 | 624 | |||||||||
| 15 | 6 | M6×1.0 | 2.5 |
9 | 696 | ||||||
| 16 | 5 | M4×0.7 | 7 |
625 | |||||||
| 17 | 8 | 12 | 6 | 6 |
M6×1.0 |
606 | |||||
| 19 | 9 | 626 | |||||||||
| 22 | 8 | 7 | 3 | 11 | 608 | ||||||
| 26 | 10 |
8 | 2.5 | 5 |
14 |
6000 | |||||
| 30 | 9 |
2 | 6200 | ||||||||
| 32 | 12 | 20 | 15 |
M10×1.5 |
2.5 | 17 |
6002 | ||||
| 35 | 11 | 3 | 6202 | ||||||||
| 37 | 20 |
9 | 2.5 | 8 |
25 |
6904 | |||||
| 47 | 14 | 3 |
6204 | ||||||||
| 52 | 25 | 15 | 10 | 30 | 6205 | ||||||
使用示例

1. 添加筛选条件,生成产品型号
客服
购物车
公众号
微信公众号
订单/资讯随手掌握
微信技术交流服务群
扫码添加进群
浏览记录
问题反馈
置顶
Copyright © 2010-2025 东莞怡合达自动化股份有限公司 版权所有 粤ICP备14032684号
营业执照: 91441900566614589Q