型号筛选
可选加工(可选)
未生成型号,还有 1 项未选择
重置
代码
无数据
产品选型
代码
无数据
轴承规格
无数据
价格生成中...
图片仅供参考,请以已选的规格为准
向心关节轴承 自润滑式 磷化处理
品牌名称:
怡合达
条件筛选:
产品型号:
未税折扣单价: -- --
含税折扣单价: ----
含税总价 (税率13%): ¥--
预计发货天数:-- 天 (发货天数以下单次日起算,不含周日与法定假日)
购买数量(PCS):
起订量:1PCS
, 加量幅度:1PCS
登录后可查看价格、加入购物车、一键购买
立即登录
价格生成中...
登录后可查看价格、加入购物车、一键购买
立即登录
代码BNP01的技术资料信息曾有所变更,可前往 型号勘误表 查看变更记录
相似商品
同类人气商品
技术图档
全部型号
3D预览
技术图档
材质图
参数图
| 代码 | 类型 |
外圈(挤压成型) | 内圈 | ||||
| 材质 | 表面处理 | 材质 | 热处理 | ||||
| BNP01 | 正常系列 | 一套圈滑动表面带保护层 | 自润滑型 | 轴承钢 | 磷化处理 | 轴承钢 | 淬火 |
轴承内孔径(d)15以下不带注油孔和油槽。

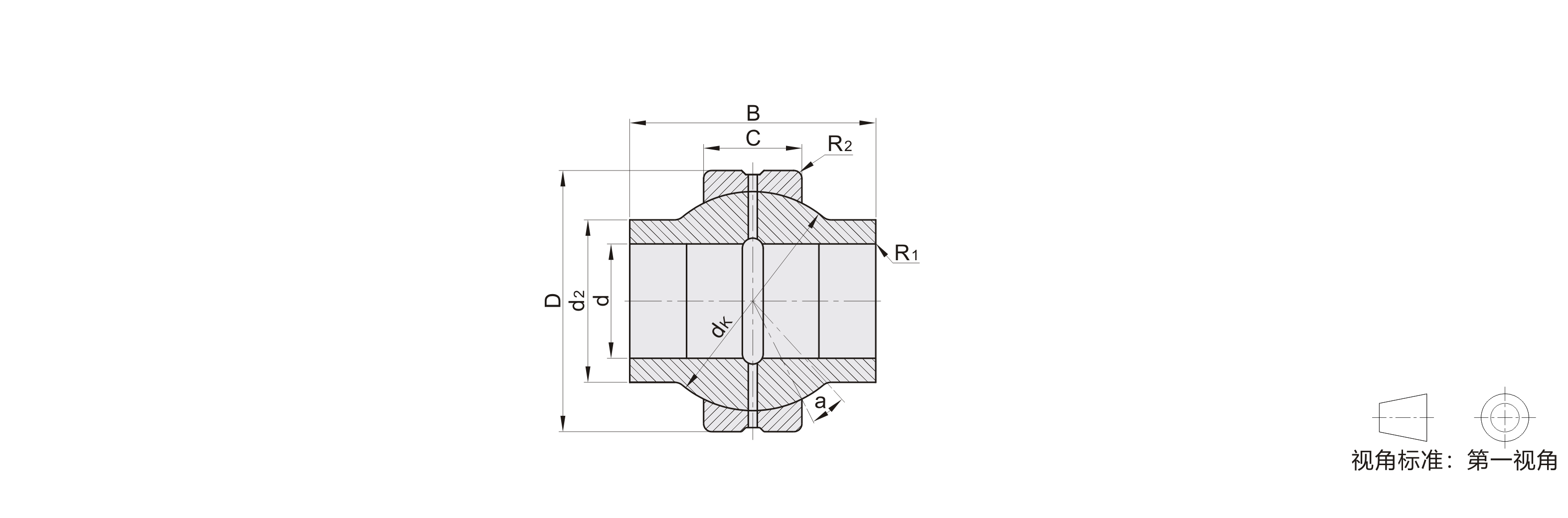
选型表
| 型号 |
d |
d2 |
D |
B |
C |
dk |
R1 (min) |
R2 (min) |
a ˚≈ |
负荷(KN) |
重量 (kg) |
||
| 代码 | 轴承规格 | 动负荷 | 静负荷 | ||||||||||
| BNP01 | GE12LO | 12 | 15.5 | 22 | 12 | 7 | 18 | 0.3 | 0.3 | 4 | 10 | 53 | 0.022 |
| GE16LO | 16 | 20 | 28 | 16 | 9 | 23 | 17 | 85 | 0.035 | ||||
| GE20LO | 20 | 25 | 35 | 20 | 12 | 29 | 30 | 146 | 0.070 | ||||
| GE25LO | 25 | 30 | 42 | 25 | 16 | 35.5 | 0.6 | 0.6 | 48 | 240 | 0.12 | ||
| GE30LO | 30 | 34 | 47 | 30 | 18 | 40.7 | 62 | 310 | 0.168 | ||||
| GE32LO | 32 | 38 | 52 | 32 | 18 | 44 | 67 | 335 | 0.20 | ||||
| GE35LO | 35 | 40 | 55 | 35 | 20 | 47 | 79 | 399 | 0.253 | ||||
| GE40LO | 40 | 46 | 62 | 40 | 22 | 53 | 100 | 500 | 0.34 | ||||
| GE50LO | 50 | 57 | 75 | 50 | 28 | 66 | 156 | 780 | 0.56 | ||||
| GE60LO | 60 | 68 | 90 | 60 | 36 | 80 | 1.0 | 1.0 | 245 | 1220 | 1.15 | ||
| GE63LO | 63 | 71.5 | 95 | 63 | 36 | 83 | 255 | 1270 | 1.2 | ||||
| GE70LO | 70 | 79 | 105 | 70 | 40 | 92 | 315 | 1560 | 1.7 | ||||
| GE80LO | 80 | 91 | 120 | 80 | 45 | 105 | 400 | 2000 | 2.4 | ||||
| GE90LO | 90 | 99 | 130 | 90 | 50 | 115 | 488 | 2440 | 3.2 | ||||
| GE100LO | 100 | 113 | 150 | 100 | 55 | 130 | 607 | 3030 | 4.8 | ||||
| GE110LO | 110 | 124 | 160 | 110 | 55 | 140 | 654 | 3270 | 5.78 | ||||
| GE125LO | 125 | 138 | 180 | 125 | 70 | 160 | 950 | 4750 | 8.49 | ||||
1. 添加筛选条件,生成产品型号
客服
购物车
公众号
微信公众号
订单/资讯随手掌握
微信技术交流服务群
扫码添加进群
浏览记录
问题反馈
置顶
Copyright © 2010-2025 东莞怡合达自动化股份有限公司 版权所有 粤ICP备14032684号
营业执照: 91441900566614589Q